Томский Клуб Спиннингистов



НА ГЛАВНУЮ СТРАНИЦУ САЙТА
Текущее время: 03 окт 2025, 03:18

Часовой пояс: UTC + 7 часов




Начать новую тему Ответить на тему  [ Сообщений: 2952 ]  На страницу Пред.  1 ... 140, 141, 142, 143, 144, 145, 146 ... 296  След.
Автор Сообщение
 Заголовок сообщения: Re: Импортные ПЛМ
СообщениеДобавлено: 23 июн 2011, 15:34 
Не в сети
Аватар пользователя

Зарегистрирован:
26 окт 2010, 21:41
Возраст: 59
Сообщений: 7532
Откуда: Кемерово
Настоящее имя: Юрий
Iggor писал(а):
Подскажите кто-нибудь - где берутся электрические схемы на лодочные моторы? Интересует Яма-30 HMHS.

http://www.snowmobile.ru/forum/viewtopi ... 45&t=24882 тут глянь
и тут http://www.snowmobile.ru/forum/viewtopi ... 45&t=19760

_________________
В помойку всё - ноутбуки, смартфоны, социальные сети.
Деревня, тайга, Сибирь - вот это свобода, вот это - happy!



Вернуться наверх
  Профиль  
 
 Заголовок сообщения: Re: Импортные ПЛМ
СообщениеДобавлено: 23 июн 2011, 16:03 
Не в сети
Томский Клуб Спиннингистов
Аватар пользователя

Зарегистрирован:
15 мар 2006, 09:52
Возраст: 59
Сообщений: 9031
Откуда: Томск
Настоящее имя: Игорь
Juri K писал(а):
тут глянь

Ога, спасибо. Так понял, что в модели 30HMHS генераторной катушки не предусмотрено.


Вернуться наверх
  Профиль  
 
 Заголовок сообщения: Re: Импортные ПЛМ
СообщениеДобавлено: 23 июн 2011, 16:18 
Не в сети
Аватар пользователя

Зарегистрирован:
26 окт 2010, 21:41
Возраст: 59
Сообщений: 7532
Откуда: Кемерово
Настоящее имя: Юрий
Iggor писал(а):
Так понял, что в модели 30HMHS генераторной катушки не предусмотрено.

:-? я в электричестве плохо понимаю :smile:

_________________
В помойку всё - ноутбуки, смартфоны, социальные сети.
Деревня, тайга, Сибирь - вот это свобода, вот это - happy!



Вернуться наверх
  Профиль  
 
 Заголовок сообщения: Re: Импортные ПЛМ
СообщениеДобавлено: 23 июн 2011, 16:45 
Не в сети
Томский Клуб Спиннингистов
Аватар пользователя

Зарегистрирован:
18 фев 2009, 18:29
Возраст: 65
Сообщений: 5093
Откуда: Томск
Настоящее имя: Сергей
Iggor писал(а):
Так понял, что в модели 30HMHS генераторной катушки не предусмотрено.

Вроде не так. У меня лежит service manual на 25BMH и 30NMH. Там ясно указано, что генераторная катушка есть, а вот выпрямитель - опция.

Т.е. к выходам генераторной катушки какую-нибудь лампочку освещения можно цеплять хоть сейчас. А если хочешь подзаряжать аккумулятор - покупай отдельно выпрямитель в блоке с регулятором и устанавливай его, как в инструкции сказано.

_________________
Только массовые расстрелы спасут Родину


Вернуться наверх
  Профиль  
 
 Заголовок сообщения: Re: Импортные ПЛМ
СообщениеДобавлено: 23 июн 2011, 16:57 
Не в сети
Томский Клуб Спиннингистов
Аватар пользователя

Зарегистрирован:
15 мар 2006, 09:52
Возраст: 59
Сообщений: 9031
Откуда: Томск
Настоящее имя: Игорь
Kid_Deceiver писал(а):
к выходам генераторной катушки какую-нибудь лампочку освещения можно цеплять хоть сейчас.

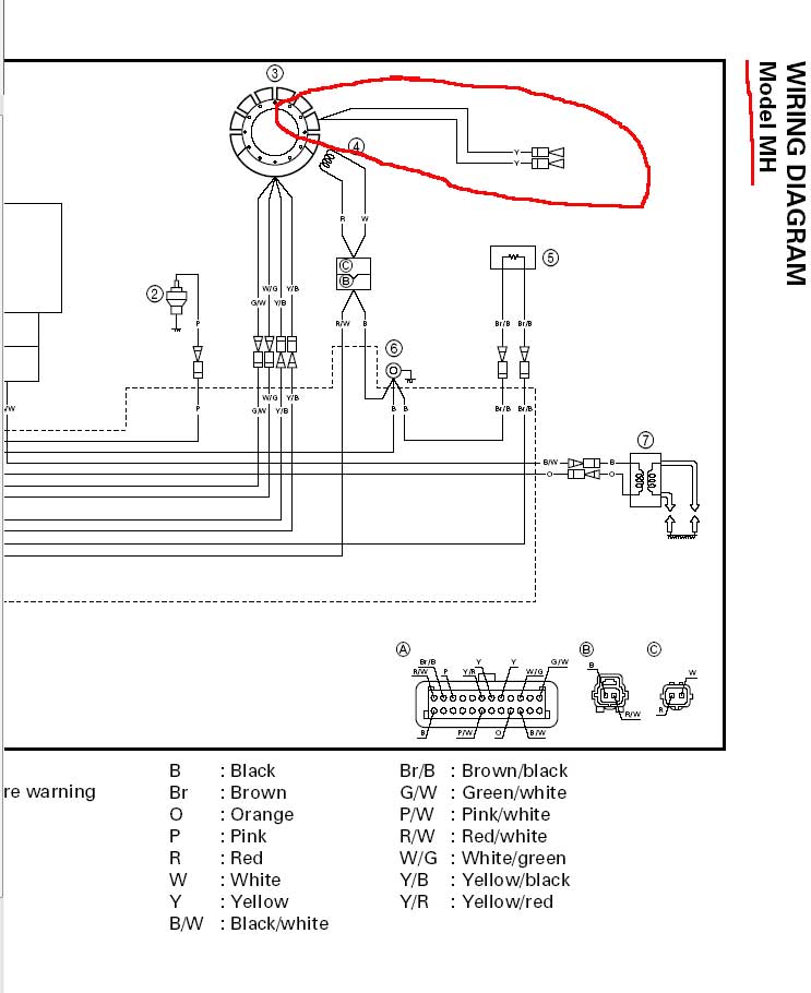
Из кучи мануалов для серии MH есть только вот такая картинка. Так понимаю, обведенное красным и есть генераторная катушка. Будем поискать желтые провода (Y).
Вложение:
30MH.jpg
30MH.jpg [ 60.86 KIB | Просмотров: 250 ]


Вернуться наверх
  Профиль  
 
 Заголовок сообщения: Re: Импортные ПЛМ
СообщениеДобавлено: 23 июн 2011, 17:30 
Не в сети
Томский Клуб Спиннингистов
Аватар пользователя

Зарегистрирован:
18 фев 2009, 18:29
Возраст: 65
Сообщений: 5093
Откуда: Томск
Настоящее имя: Сергей
Iggor писал(а):
Из кучи мануалов для серии MH есть только вот такая картинка.

Вот, что у меня:

Вложение:
30hmh-01.gif
30hmh-01.gif [ 47.23 KIB | Просмотров: 240 ]


Цитата:
Будем поискать желтые провода (Y).

Зеленые (G)!!!

Вложение:
30hmh-02.gif
30hmh-02.gif [ 52.35 KIB | Просмотров: 240 ]

_________________
Только массовые расстрелы спасут Родину


Вернуться наверх
  Профиль  
 
 Заголовок сообщения: Re: Импортные ПЛМ
СообщениеДобавлено: 23 июн 2011, 17:36 
Не в сети
Томский Клуб Спиннингистов
Аватар пользователя

Зарегистрирован:
15 мар 2006, 09:52
Возраст: 59
Сообщений: 9031
Откуда: Томск
Настоящее имя: Игорь
О, хорошие картинки.

Спасибо, Серёга. :friends:


Вернуться наверх
  Профиль  
 
 Заголовок сообщения: Re: Импортные ПЛМ
СообщениеДобавлено: 01 июл 2011, 12:05 
Не в сети
Аватар пользователя

Зарегистрирован:
24 апр 2008, 16:04
Возраст: 50
Сообщений: 9217
Откуда: Томск
Настоящее имя: Григорий Николаевич
Кто то говорил на форуме что тоха 25 это зажатая 30ка. поможите разжать

_________________
Stingray 390AL
Нептун 23Э
Mercury 25
Буран АДЕ


Вернуться наверх
  Профиль  
 
 Заголовок сообщения: Re: Импортные ПЛМ
СообщениеДобавлено: 01 июл 2011, 12:47 
Не в сети
Аватар пользователя

Зарегистрирован:
14 сен 2010, 16:07
Возраст: 50
Сообщений: 1798
Откуда: Томск
Настоящее имя: Александр
Да,я бы тоже не против свою пятнашку "раздушить"!Но интересно заменой жиклёров ограничишься или нет?

_________________
Т-18; М-9,9; Азимут Атлас-365


Вернуться наверх
  Профиль  
 
 Заголовок сообщения: Re: Импортные ПЛМ
СообщениеДобавлено: 01 июл 2011, 12:58 
Не в сети
Аватар пользователя

Зарегистрирован:
24 апр 2008, 16:04
Возраст: 50
Сообщений: 9217
Откуда: Томск
Настоящее имя: Григорий Николаевич
Про 25ку говорили что там все гораздо проще чем жыклеры

_________________
Stingray 390AL
Нептун 23Э
Mercury 25
Буран АДЕ


Вернуться наверх
  Профиль  
 
Показать сообщения за:  Сортировать по:  
Начать новую тему Ответить на тему  [ Сообщений: 2952 ]  На страницу Пред.  1 ... 140, 141, 142, 143, 144, 145, 146 ... 296  След.

Часовой пояс: UTC + 7 часов


Кто сейчас на форуме

Сейчас этот форум просматривают: нет зарегистрированных пользователей и гости: 2


Вы не можете начинать темы
Вы не можете отвечать на сообщения
Вы не можете редактировать свои сообщения
Вы не можете удалять свои сообщения
Вы не можете добавлять вложения

Найти:
Перейти:  
cron
  
Rambler's Top100
  
Томск
     
Powered by phpBB © 2000, 2002, 2005, 2007 phpBB Group
Русская поддержка phpBB