Томский Клуб Спиннингистов



НА ГЛАВНУЮ СТРАНИЦУ САЙТА
Текущее время: 03 окт 2025, 01:02

Часовой пояс: UTC + 7 часов




Начать новую тему Ответить на тему  [ Сообщений: 63 ]  На страницу Пред.  1 ... 3, 4, 5, 6, 7  След.
Автор Сообщение
 Заголовок сообщения: Re: Японский мотор б/у
СообщениеДобавлено: 22 апр 2014, 09:49 
Не в сети
Томский Клуб Спиннингистов
Аватар пользователя

Зарегистрирован:
15 мар 2006, 09:52
Возраст: 59
Сообщений: 9031
Откуда: Томск
Настоящее имя: Игорь
Вряд ли тут что-то можно посоветовать - лотерея.

С одной стороны, если мотор дожил до сегодняшнего дня, с высокой вероятностью будет жить и дальше. У Фиделя именно такой мотор, работает да работает себе.

Обычно считают, что ресурс иномоторов - порядка 1000 часов. Здесь он явно близко, либо уже закончился. Мотор может крякнуть в любой момент просто из-за усталости металла.А любой ремонт как раз и съест всю экономию от покупки.

Может, хотя бы на диагностику отдать в сервис? Хоть компрессию померят.


Вернуться наверх
  Профиль  
 
 Заголовок сообщения: Re: Японский мотор б/у
СообщениеДобавлено: 22 апр 2014, 09:52 
Не в сети
Аватар пользователя

Зарегистрирован:
08 сен 2009, 08:23
Возраст: 42
Сообщений: 911
Откуда: томская область, с.Молчаново
Настоящее имя: Андрей
Тоже рассматривал как вариант покупки бу из Джапании. Подвернулся тоха 25 с Л ногой, в нерабочем состоянии. Звонил по сервисам ответ был примерно таким "С моторами из морской воды-дел иметь не хотим." . В итоге взял кредит и купил новый мотор. Ни сколько не жалею.

_________________
Прогресс 2
Honda BF 50А
Тайга Варяг 550


Вернуться наверх
  Профиль  
 
 Заголовок сообщения: Re: Японский мотор б/у
СообщениеДобавлено: 22 апр 2014, 09:54 
Не в сети
Аватар пользователя

Зарегистрирован:
24 фев 2010, 22:51
Возраст: 54
Сообщений: 8268
Откуда: Медведка, ТО
Настоящее имя: Алексей, Сергеич
помпа менялась не спроста

да ... и потом такой (9,9) мотор фиг продашь (с такими годами и такой ногой)

_________________
Aquila non captat muscas


Вернуться наверх
  Профиль  
 
 Заголовок сообщения: Re: Японский мотор б/у
СообщениеДобавлено: 22 апр 2014, 11:09 
Не в сети

Зарегистрирован:
01 окт 2011, 21:56
Возраст: 45
Сообщений: 734
Настоящее имя: Илья
Iggor писал(а):
Может, хотя бы на диагностику отдать в сервис? Хоть компрессию померят.


Кроме компрессии на что еще внимание обратить?


Вернуться наверх
  Профиль  
 
 Заголовок сообщения: Re: Японский мотор б/у
СообщениеДобавлено: 22 апр 2014, 11:15 
Не в сети
Аватар пользователя

Зарегистрирован:
07 авг 2008, 12:28
Возраст: 41
Сообщений: 6391
Откуда: Томск, п.Молодежный
Настоящее имя: Андрей
ilya_pastuhoff писал(а):
Iggor писал(а):
Может, хотя бы на диагностику отдать в сервис? Хоть компрессию померят.


Кроме компрессии на что еще внимание обратить?

Масло в редукторе глянуть, до и после работы мотора на проверке !

_________________
Stingray 390AL - Sea Pro OTH15, (это не реклама)

:speedboat: :fm:
__________________________________________

Вернуться наверх
  Профиль  
 
 Заголовок сообщения: Re: Японский мотор б/у
СообщениеДобавлено: 22 апр 2014, 11:18 
Не в сети
Томский Клуб Спиннингистов
Аватар пользователя

Зарегистрирован:
15 мар 2006, 09:52
Возраст: 59
Сообщений: 9031
Откуда: Томск
Настоящее имя: Игорь
ilya_pastuhoff писал(а):
Кроме компрессии на что еще внимание обратить?

Ну, если будут нормально диагностику делать, они его заведут, можно наверное повключать передачи, надо чтоб включались без всяких затруднений, хрустов и прочего.


Вернуться наверх
  Профиль  
 
 Заголовок сообщения: Re: Японский мотор б/у
СообщениеДобавлено: 22 апр 2014, 12:50 
Не в сети
Томский Клуб Спиннингистов
Аватар пользователя

Зарегистрирован:
13 июл 2009, 11:15
Возраст: 43
Сообщений: 1521
Откуда: Томск
Если после моря мотор, брать ненужно, там все уже в корозии и поокислялось, долго не проживет, скорее всего потому и помпу меняли и в ногу лазили.... Это как утопленики с японии машины, пару тройку лет и каюк а то и меньше!

_________________
CompAs- 380S + Nissan Marine NS 18
Профессиональное восстановление информации с HDD, USB и т.д.
Ремонт Ноутбуков, компьютеров, мониторов.
т. 8913102874шесть


Вернуться наверх
  Профиль  
 
 Заголовок сообщения: Re: Японский мотор б/у
СообщениеДобавлено: 22 апр 2014, 14:20 
Не в сети

Зарегистрирован:
01 окт 2011, 21:56
Возраст: 45
Сообщений: 734
Настоящее имя: Илья
Спасибо за советы.... задумался..


Вернуться наверх
  Профиль  
 
 Заголовок сообщения: Re: Японский мотор б/у
СообщениеДобавлено: 23 апр 2014, 12:13 
Не в сети
Томский Клуб Спиннингистов
Аватар пользователя

Зарегистрирован:
07 ноя 2006, 12:36
Возраст: 64
Сообщений: 19553
Откуда: Томск
Настоящее имя: Фидель
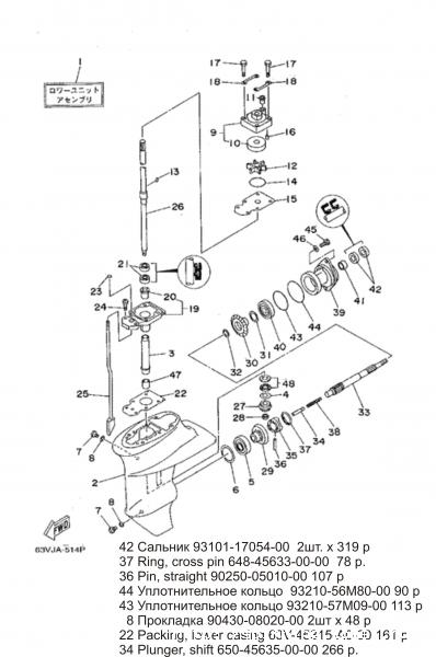
Я думаю страхи по поводу соленой воды сильно преувеличены и подогреваются именно местными "пресноводными" продавцами. Равно как и про утопленные япошки, но это отдельная тема. У меня такой же мотор проработал уже 8 сезонов. Следов коррозии нигде не нашел - ни в рубашке охлаждения, ни на термостате. За это время иные поменяли сальники и кое что посерьезнее на купленных сновья моторах, да еще свечи каждый сезон меняют. А на моем свечи ходят уже три сезона патамучта самоочищаются нормально. Только в прошлом сезоне в редукторе сломалась копеешная деталь, поз.36 и перестала включаться передняя скорость.
Вложение:
Ямаха редуктор.jpg
Ямаха редуктор.jpg [ 35.98 KIB | Просмотров: 184 ]

Заменил на хвостовик от сверла и доходил сезон. Нонче поставлю в редуктор новые детальки - толкатель, сальнички, прокладки и т.п., т.е. мелочевку.
Тут еще в чем дело - мотор с запасом 15л.с. работал как 9.9, т.е. ресурса там осталось еще много. Тем более, что в Япии эти моторы в основном используются не как основные, маршевые, а как шлюпочные, для доставки этих япов с яхты и на яхту, т.е. работают совсем не много. Кроме того в нем должен быть встроен выпрямитель для зарядки АКБ, а то и электростартер. Стартер, конечно, для забавы, а вот генератор с выпрямителем вещь очень полезная - и эхолот всегда включен, и на привале всегда свет есть, и можно подзарядить рацию, телефон, навигатор и т.п.
По поводу карбюратора - при раздушивании с 9.9 до 15 л.с. надо менять ГТЖ, ожет поэтому лазили... а с помпой - в ночные заморозки надо непременно сливать воду, т.е. держать мотор вертикально, иначе вода в каналах может заерзнуть и прихаватить крыльчатку, тогда при попытке запуска ее просто порвет или провернет.
Вобщем мой совет - если руки на месте и техники не боитесь, то можно брать, а если, например, разобрать редуктор для Вас проблема, то лучше не надо.
Для проверки можно, конечно, замерить компрессию, но можно попробовать завести холодным, при минусовой температуре, благо сейчас утром заморозки. Если заведется с полпинка, то вообще все нормально с поршневой и сальниками коленвала, если заведется плохо или ваще никак, то есть повод задуматься.

_________________
Те, кто достаточно умны, чтобы не лезть в политику, наказываются тем, что ими правят люди глупее их самих. Платон.
Главное ребята, перцем не стареть!
А время, проведенное на рыбалке не засчитывается Богом во время жизни!


Вернуться наверх
  Профиль  
 
 Заголовок сообщения: Re: Японский мотор б/у
СообщениеДобавлено: 23 апр 2014, 14:07 
Не в сети
Аватар пользователя

Зарегистрирован:
24 фев 2010, 22:51
Возраст: 54
Сообщений: 8268
Откуда: Медведка, ТО
Настоящее имя: Алексей, Сергеич
ilya_pastuhoff писал(а):
Мужики, помогите советом!
Суть дела такова: в связи с ограниченным бюджетом но с хорошим аппетитом, в качестве приобритение рассматривается бу ПЛМ.
Нашел вариант ямахи 9.9 раздушенной, с L ногой 95 г.в., привезенной из Японии. В рф один хозяин, у которого я купил лодку. Просит 45 тыс за нее, но думаю еще подвинется. Говорит что зимой были поменяны помпа, перебран редуктор. Стоит новый винт. Карбюратор отстроен, и т.п. Подскажите стоит ли брать? На какие моменты надо обратить внимание? В технике далеко не ас.

ФВ, прально ... тебе хоть разобраный дай ты соберешь..... а человек обозначился (как все мы) :))

_________________
Aquila non captat muscas


Вернуться наверх
  Профиль  
 
Показать сообщения за:  Сортировать по:  
Начать новую тему Ответить на тему  [ Сообщений: 63 ]  На страницу Пред.  1 ... 3, 4, 5, 6, 7  След.

Часовой пояс: UTC + 7 часов


Кто сейчас на форуме

Сейчас этот форум просматривают: нет зарегистрированных пользователей и гости: 5


Вы не можете начинать темы
Вы не можете отвечать на сообщения
Вы не можете редактировать свои сообщения
Вы не можете удалять свои сообщения
Вы не можете добавлять вложения

Найти:
Перейти:  
cron
  
Rambler's Top100
  
Томск
     
Powered by phpBB © 2000, 2002, 2005, 2007 phpBB Group
Русская поддержка phpBB